Prestressed CFRP Plate Reinforcement of Cover Beam of Shanghai Beiqing Overpass

Prestressed CFRP Plate Reinforcement of Cover Beam of Shanghai Beiqing Overpass - Shanghai's first batch of prestressed carbon fiber plate reinforcement design schemes

Prestressed CFRP Reinforcement of Cover Beam of Shanghai Beiqing Overpass - Shanghai's first batch of prestressed carbon fiber reinforcement design schemes


crack repair with epoxy

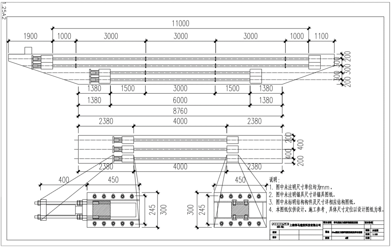
prestressed CFRP plate drawing

Horse prestressed CFRP plate

Horse prestressed CFRP plate


The products used in this casePeople who browsed this project also concern these products:

Back
Top
Close